UNDER NEW MANAGEMENT — SEP 2024
Home
Products
Tech Library
FAQs
Testimonials
News
About us
Contact Us
Search
Call Us
09 271 4782
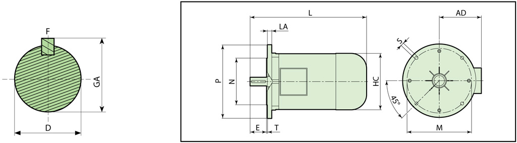
Ravel Dimensions B5 Drawing
Product Image
Size:
50.1 KB
Download (50.1 KB)
MENU
Home
Products
Tech Library
FAQs
Testimonials
News
About us
Contact Us