UNDER NEW MANAGEMENT — SEP 2024
Home
Products
Tech Library
FAQs
Testimonials
News
About us
Contact Us
Search
Call Us
09 271 4782
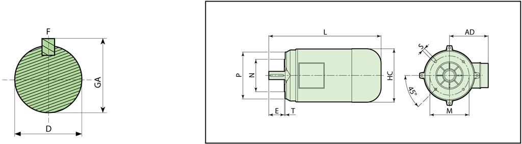
Ravel Dimensions B14 Drawing
Product Image
Size:
45.0 KB
Download (45.0 KB)
MENU
Home
Products
Tech Library
FAQs
Testimonials
News
About us
Contact Us